目指せ!電気主任技術者~解説ノート~

第一種電気主任技術者の免状保有者がまとめた電気主任技術者試験の解説ノートです。

2022-02-12から1日間の記事一覧

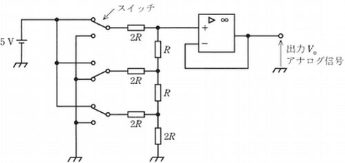
D-A 変換回路

計算機などの出力信号であるディジタル信号をアナログ信号に変換する回路は D-A 変換回路と呼ばれ,求められる変換の精度や変換時間などに応じて,さまざまな方式が採用される。 $R-2R$ ラダー形は代表的な D-A 変換回路であり,二進数の各ビットに対して抵…